Acum este Mie Apr 22, 2026 7:58 pm

forum.cursuridecalificareacreditate.ro

Forum Tehnic : Frigotehnisti ,Instalatori ,Electricieni si Sisteme Fotovoltaice

Incalzire semineu recuperator caldura , tubulatura aer cald

Practica Cursuri Instalatori : Maistru instalator,Tehnician instalator ,instalator Foto
Avatar utilizator
 
Mesaje: 16
Membru din: Vin Apr 19, 2019 11:17 pm
Localitate: albesti

Incalzire semineu recuperator caldura , tubulatura aer cald

Mesaj de LatviuGhe » Joi Apr 25, 2019 1:43 pm

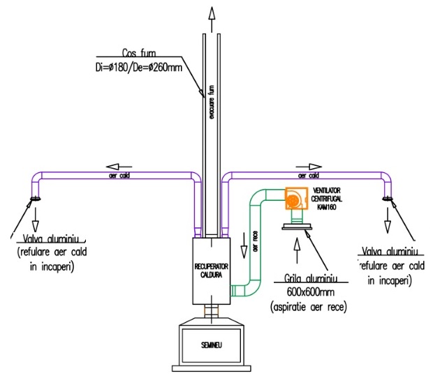
Incalzire semineu cu recuperator caldura si tubulatura aer cald
sunt specificate pe plan valvele de aluminiu si modul cum se regleaza instalatia
Fişiere ataşate
incalzire folosind tubulatura si aer cald ,recirculat de ventilator.jpg
incalzire folosind tubulatura si aer cald ,recirculat de ventilator valve de sens si sistem reglaj debit
incalzire folosind tubulatura si aer cald ,recirculat de ventilator.jpg (47 KiB) Vizualizat de 9889 ori

Avatar utilizator
 
Mesaje: 16
Membru din: Vin Apr 19, 2019 11:17 pm
Localitate: albesti

Re: Incalzire semineu recuperator caldura , tubulatura aer c

Mesaj de LatviuGhe » Joi Apr 25, 2019 1:50 pm

Nu am putut baga mai multa informatie zice ca sunt fisiere mari
Schema de incalzire cu aer cald din recuperatorul de caldura , interesant de vazut cum se reduc conductele de la D=150 la D=100
Fişiere ataşate
Incalzire cu aer cald schema tubulatura.jpg
schema de incalzire cu aer cald din recuperatorul de caldura , interesant de vazut cum se reduc conductele de la D=150 la D=100
Incalzire cu aer cald schema tubulatura.jpg (102.5 KiB) Vizualizat de 9889 ori

Avatar utilizator
 
Mesaje: 16
Membru din: Vin Apr 19, 2019 11:17 pm
Localitate: albesti

Re: Incalzire semineu recuperator caldura , tubulatura aer c

Mesaj de LatviuGhe » Joi Apr 25, 2019 1:57 pm

Ridic si schema de incalzire de la P
schema incalzire parter folosind aerul cald
Fişiere ataşate
schema incalzire parter folosind aerul cald combinat cu convectoare electrice.jpg
schema incalzire parter folosind aerul cald combinat cu convectoare electrice.
schema incalzire parter folosind aerul cald combinat cu convectoare electrice.jpg (72.1 KiB) Vizualizat de 9888 ori

Avatar utilizator
 
Mesaje: 16
Membru din: Vin Apr 19, 2019 11:17 pm
Localitate: albesti

Re: Incalzire semineu recuperator caldura , tubulatura aer c

Mesaj de LatviuGhe » Joi Apr 25, 2019 2:08 pm

Mai ridic un detaliu de incalzire cu aer cald
Fişiere ataşate
termo ventilatie incalzre etaj cu aer cald.jpg
termo ventilatie incalzre etaj cu aer cald interesant cum se face reductia pe tubulatura
termo ventilatie incalzre etaj cu aer cald.jpg (74.24 KiB) Vizualizat de 9888 ori

 
Mesaje: 1
Membru din: Vin Apr 26, 2019 10:08 am
Localitate: Prundisu

Re: Incalzire semineu recuperator caldura , tubulatura aer c

Mesaj de julian » Vin Apr 26, 2019 10:08 am

Am marit desenul la formatul A3 sa il vad mai bine
un mod de incalzire a unei locuinte cu aer cald foarte interesant si ieftin ,circulatia aerului este facuta cu un ventilator
Nu inteleg rolul celor doua valve din aluminiu
Schimbatorul de caldura din ce este facut ?
Aveti idee ce randament are ?

 
Mesaje: 1
Membru din: Joi Mai 02, 2019 11:21 am
Localitate: Slistea

Re: Incalzire semineu recuperator caldura , tubulatura aer c

Mesaj de CineaDumitru » Joi Mai 02, 2019 11:22 am

O instalatie de incalzire cu aer cald foarte bine explicata

Avatar utilizator
 
Mesaje: 113
Membru din: Mie Sep 25, 2019 2:25 pm
Localitate: Bucuresti sect 1

Re: Incalzire semineu recuperator caldura , tubulatura aer c

Mesaj de MitreaNicolae » Mie Sep 25, 2019 3:02 pm

LatviuGhe scrie:Nu am putut baga mai multa informatie zice ca sunt fisiere mari
Schema de incalzire cu aer cald din recuperatorul de caldura , interesant de vazut cum se reduc conductele de la D=150 la D=100

intradevar recuperarea caldurii este foarte utila de stiut


Înapoi la Practica Cursuri Instalatori Albume foto Practica

Cine este conectat

Utilizatorii ce navighează pe acest forum: Niciun utilizator înregistrat şi 0 vizitatori