de RosuFlorian » Vin Sep 18, 2020 9:33 pm
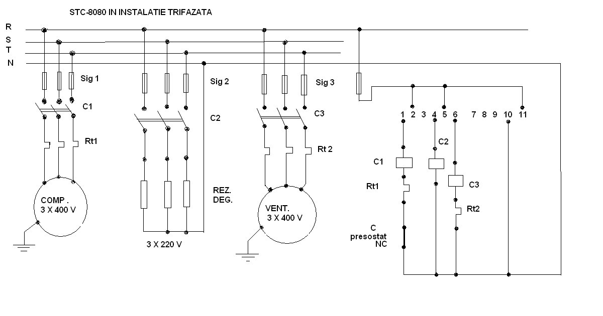
Contactoarele sunt de doua feluri, active (cele electromagnetice) si pasive ( cele cu semiconductori SSR ). Voi prezenta contactorul activ ,deoarece este o componenta frecvent intalnita in instalatiile electrice si functioneaza pe principiul electromagnetismului. Contactoarele sunt de marimi, puteri si tensiuni de alimentare diferite, de curent continuu sau alternativ. Principiul de functionare este destul de simplu, are la baza un electromagnet format dintr-o bobina si doua miezuri de fier in forma de E, ce sunt tinute la distanta prin intermediul unui arc. Cand bobina este alimentata la tensiunea specificata la bornele A1 si A2, intre cele doua armaturi de fier, una fixa si una mobila, se creeaza un camp electromagnetic de atractie, cuplandu-se, invingand forta resortului aflat intre ele. Pe armatura mobila, izolate unul fata de celelalt se afla contactele mobile de forta si comanda in pozitia NO, iar atunci cand armaturile de fier sunt lipite contactele devin NC. Armatura fixa are doua spire de scurtcircuitare de camp magnetic, aceste spire se intalnesc doar la contactoarele de curent alternativ si au rolul de a inlatura vibratiile date de frecventa tensiunii de alimentare. Contactoarele electromagnetice mai pot fi echipate cu contacte auxiliare NO sau NC, in functie de complexitatea instalatiei.
- Fişiere ataşate
-

- CONTACTOR..JPG (47.67 KiB) Vizualizat de 3718 ori
-

- Armatura de fier fixa si bobina.
- 119862267_804688490357467_5703032538812017521_n.jpg (62.28 KiB) Vizualizat de 3718 ori
-

- Contactor demontat.
- 119886822_338235784187434_1103623431952591113_n.jpg (92.98 KiB) Vizualizat de 3718 ori
-

- Bobina fiind alimentata armaturile de fier sunt cuplate.
- 119859556_2806039813012716_216907862603284346_n.jpg (126.63 KiB) Vizualizat de 3718 ori
-

- Armatura fixa are doua spire de scurtcircuitare de camp magnetic.
- 119816530_336638317676332_2192225163359801819_n.jpg (62.42 KiB) Vizualizat de 3718 ori
-

- Bobina nefiind alimentata armaturile de fier sunt decuplate.
- 119787213_380677336675262_6776343688136282545_n.jpg (127.1 KiB) Vizualizat de 3718 ori
-

- Specificatie de alimentare bobina intre bornele A1 si A2.
- 119703422_3352739761617867_412569834875698831_n.jpg (78.64 KiB) Vizualizat de 3718 ori
Ultima oară modificat de
RosuFlorian pe Sâm Sep 19, 2020 12:02 am, modificat 1 dată în total.